ICARO MA PROX
Beschreibung
Max. Torgewicht 2000 kg. Bis 1400 kg ist ein Betrieb nur mit Gummiprofil an der Hauptschließkante möglich. Bei Torgewicht größer als 1400 kg wird eine aktive Sicherheitsleiste benötigt. Bei steigenden Toren, sowie bei Toren über 1500 kg Flügelgewicht wird der zusätzliche Einbau eines Anlaufkondensators empfohlen. Steuerung LEO MA D mit selbstüberwachenden Betriebsrelais ist eingebaut. Programmierung über Display. Verlangsamung zum sanften Stoppen programmierbar. Leichter Zugriff auf die Steuerung, da diese stimseitig montiert ist. Lernlauf zur Ermiltlung bestimmter Parameter. Selbstüberwachende Steuerung, entspricht den Normen EN 12453 und EN 12445.  In Verbindung mit der Platine BEBA Blue ist eine Bedienung des Tore mittels Android Handy möglich
Bluetooth fähig! Zusatz- und Adapterkarten B EBA finden Sie im Zubehör
Â
Technische Daten:Â
Steuerung: Â Â Â Â Â Â Â Â Â Â Â Â Â LEO D MA
Stromversorgung: Â Â Â Â Â Â Â Â 230 V
Leistungsaufnahme: Â Â Â Â Â Â Â 750 W
Laufgeschwindigkeit: Â Â Â Â Â Â 9 m/min
Art der Endschaltung: Â Â Â Â Â Â induktiv
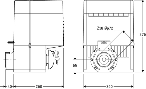
Ritzelmodul: Â Â Â Â Â Â Â Â Â Â Â Â 4 (Z18)
Ritzeldrehgeschwindigkeit: Â Â 37 U/min
Verlangsamung: Â Â Â Â Â Â Â Â Â Ja
Quetschschutz: Â Â Â Â Â Â Â Â Â Â D-Track
Blockierungsart: Â Â Â Â Â Â Â Â Â Â mechanisch
Not-Entriegelung:         über beiliegenden Entriegelungsschlüssel
Nutzungsgrad: Â Â Â Â Â Â Â Â Â Â Dauerbetrieb
Kundenrezensionen
Kompatible Produkte und Zubehör
PHOBOS NL BT KIT (bis 5m / 250 kg)( Category: Elektromechanische Antriebe);





Zubehör Schiebetorantrieb
Allgemeines Zubehör
CVZ Eisenzahnstange Modul 4 / 1m
CFZ Eisenzahnstange Modul 4 / 2m
CP Kunststoffzahnstange Modul 4 / 1m
230V Blinklicht B LTA 230 R1
Wandhalterung B 00 R02
AEL 433 Funkantenne
Not-Aus-Schalter Unterputz
Not-Aus-Schalter Aufputz
Unterputz Schlüsseltaster
Aufputz Schlüsseltaster
MITTO B RCB 02
MITTO B RCB 04
